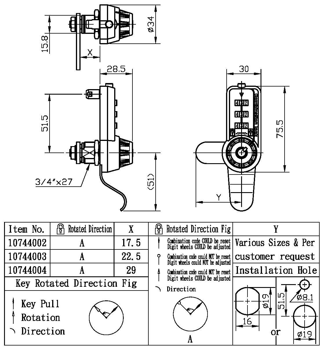
107440
保险箱号码锁-3字轮
1. 号码锁,搭配高安全性的ABACO使用
2. 可做Master Key & Grand Master Key 系统
3. 锌合金材质,配备3个字轮,共有1,000种号码变化
4. 锁匙部分可做1,000种以上号码变化
5. 平时使用时以字轮号码为主,当忘记号码时可用錀匙打开,并可快速找回号码
6. 适用于金属/非金属、木门、箱子、盒子、抽屉、工具柜、寄物柜、橱柜等
7. 可任意设定号码
2. 可做Master Key & Grand Master Key 系统
3. 锌合金材质,配备3个字轮,共有1,000种号码变化
4. 锁匙部分可做1,000种以上号码变化
5. 平时使用时以字轮号码为主,当忘记号码时可用錀匙打开,并可快速找回号码
6. 适用于金属/非金属、木门、箱子、盒子、抽屉、工具柜、寄物柜、橱柜等
7. 可任意设定号码
紧凑且可靠的三位数密码安全保障
想像一个饭店客房或分租共享空间,房客需要一种快速、无需钥匙的方式来锁固个人保险箱、 珠宝盒或现金抽屉。对于临时储物来说,随身携带实体钥匙往往不够便利。 ABA 107440 密码保管箱锁(Combination Safe Lock)是满足这些日常安全需求的完美锁固方案(Locking Solution) 。作为经验丰富的锁具制造商(Lock Manufacturer) ,我们采用高品质锌合金(Zinc Alloy)打造这款三位数转舌锁,提供1,000 组可由使用者轻松重设的密码组合(Key Combinations) 。
107440 型号专为机械可靠性(Mechanical Reliability)与紧凑安装而设计,是小型机壳、 医药柜及健身房置物柜不可或缺的安全组件(Security Component) 。其直觉式的设计确保了高效的资产保护(Asset Protection) ,且无遗失钥匙的风险。针对我们的OEM/ODM合作伙伴,ABA 提供可客制化的转舌片配置(Cam Configurations) ,以确保能完美契合各种柜体厚度。信任ABA 的精密工程(Precision Engineering) ,为您提供兼顾使用者便利与工业级耐用性的高性价比免钥匙存取(Keyless Access)方案。
