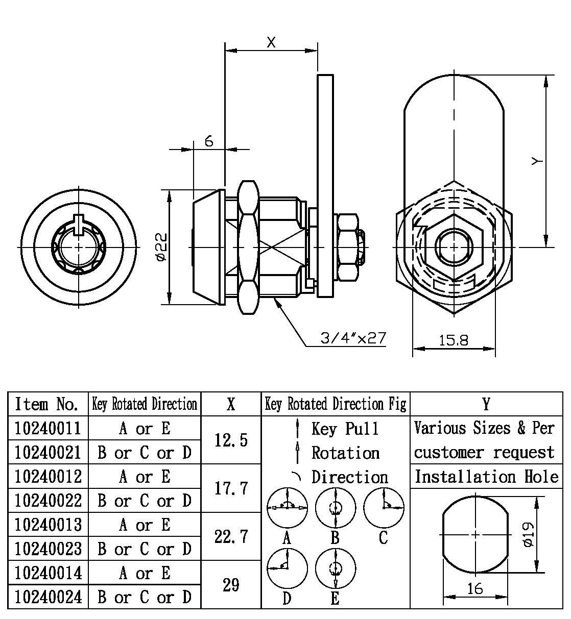
102400
管状锁
1、锁心外牙采螺帽固定、锁心内牙采螺丝固定,铜或锌合金锁壳与锁心
2、锌合金或不锈钢(依客户需求)锁壳及锁心
3、适用于金属/非金属、木门、箱子、盒子、抽屉、工具柜等
4、10,000 个以上号码变化
5、附舌片及螺帽(舌片"A,B"尺寸可依客户需求提供,或参考附件类)
6、其它零件材质也可依客户需求「提供不锈钢材质服务」
2、锌合金或不锈钢(依客户需求)锁壳及锁心
3、适用于金属/非金属、木门、箱子、盒子、抽屉、工具柜等
4、10,000 个以上号码变化
5、附舌片及螺帽(舌片"A,B"尺寸可依客户需求提供,或参考附件类)
6、其它零件材质也可依客户需求「提供不锈钢材质服务」
高效管理与进阶存取控制的结合
想像一下,您正在管理一家大型健身中心或拥有数百个独立置物柜与储物柜的高阶企业办公室。为每位使用者提供唯一的钥匙是必要的,但对于设施管理者而言,在维护或紧急状况时拥有即时存取权限同样至关重要。 ABA 102400 万能钥匙转舌锁(Master Key Cam Lock)正是为此情境而设计。作为专业的锁具制造商(Lock Manufacturer) ,我们研发了这款支持复杂万能钥匙系统(Master Key System)的锁具,在维持个人隐私的同时,实现无缝的行政管理存取(Administrative Access) 。
102400 型号由耐用的锌合金(Zinc Alloy)制成,并配备高精度的锁芯机制(Tumbler Mechanism) ,提供顺畅的使用体验与长效的机械可靠性(Mechanical Reliability) 。它是信箱区、 机构家具及零售展示柜的首选安全组件(Security Component) 。针对我们的OEM/ODM合作伙伴,ABA 提供可客制化的钥匙选项(Keying Options)与多种转舌片长度(Cam Lengths) ,确保您的资产保护(Asset Protection)策略既坚固又易于管理。信任ABA 的精密工程(Precision Engineering) ,以专业的锁固方案(Locking Solutions)简化您的钥匙管理(Key Control)挑战。
