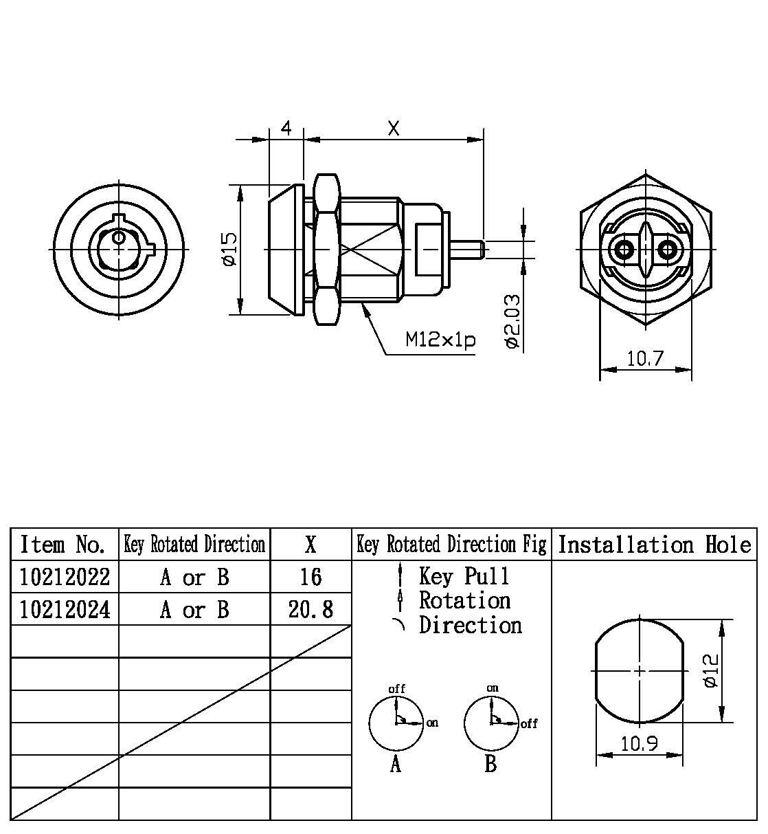
102120
柱状电源开关锁(小)
产品说明:
1. 锌合金或防火塑胶锁壳及锁心
2. 镀银接点及端子
3. 适用于安全系统、警报系统、电脑机壳、电话
4. 锁匙号码同号(2036)
电气特性之详细说明:
1. 额定电流(电压):2A/125VAC、1A/250VAC
2. 接触电阻:最大值为10MilliΩ
3. 绝缘电阻:最小值为500MegΩ
4. 耐压强度:一分钟可承受1,000VAC
1. 锌合金或防火塑胶锁壳及锁心
2. 镀银接点及端子
3. 适用于安全系统、警报系统、电脑机壳、电话
4. 锁匙号码同号(2036)
电气特性之详细说明:
1. 额定电流(电压):2A/125VAC、1A/250VAC
2. 接触电阻:最大值为10MilliΩ
3. 绝缘电阻:最小值为500MegΩ
4. 耐压强度:一分钟可承受1,000VAC
空间受限设备专用的高安全微型圆柱锁匙开关锁
想像一位电子设计师正在开发一款加密通讯设备或紧凑型控制盒,其中内部的每一毫米空间都至关重要。您需要一种方法来锁定未经授权的使用者,但全尺寸的开关根本放不下。 ABA 102120 微型圆柱锁匙开关锁是这些高密度应用的终极锁固方案(Locking Solution) 。作为专业的锁具制造商(Lock Manufacturer) ,我们将高精密的七门针圆柱锁芯(7-Pin Tubular Cylinder)整合到由耐用锌合金(Zinc Alloy)制成的小尺寸规格外壳中,提供专业级的资产保护(Asset Protection)与卓越的机械可靠性(Mechanical Reliability) 。
102120 型号是伺服器机壳、 安全报警面板及零售收银系统(POS)中不可或缺的安全组件(Security Component) 。它在占用极小面板空间的同时,提供可靠的电路控制(Circuit Control)与电源管理(Power Management) 。针对我们的OEM/ODM合作伙伴,ABA 提供多种编钥选项与可客制化的内部接点,以符合您特定的工程需求。信任ABA 的精密工程(Precision Engineering) ,为您最紧凑的设计提供高品质、具备强大电子锁匙开关功能的五金零件。
